Logger Script
 
 
공압 구동기
 
 
 
공압 자동 밸브
 
 
 
 
 
 
Valve Size 40A(1/2") ~ 1000A(40")
Actuator Model AS50 ~ AS200
Actuator Type Pneumatic Single Acting / Spring Return (with Dry Air)
Operating Pressure 4 ~ 7kg/㎠
Rotating Angle 90˚ ±5˚
Fluid Temperature -10℃ ~ 200℃
Rating ANSI 150#
Body Material Body(A126 CL B, A216 WCB, A351 CF8) / Disc(A351 CF8, 8M) / Seat(EPDM, VITON)
Accessory Solenoid Valve, Limit Switch Box, Air filter Regulator, E/P Positioner
 
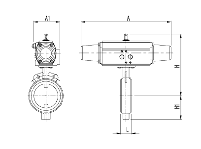
Unit : mm
Model Size A A1 H
(Approx)
H1 L
mm inch
AS50-40BF 40A 1-1/2" 257 75 215 58 41
AS50-50BF 50A 2" 257 75 217 65 43
AS65-65BF 65A 2-1/2" 314 89 250 71 46
AS65-80BF 80A 3" 314 89 256 83 46
AS80-100BF 100A 4" 430 101 287 100 52
AS80-125BF 125A 5" 430 101 300 110 56
AS100-150BF 150A 6" 500 129 334 130 56
AS100-200BF 200A 8" 500 129 390 163 60
AS125-250BF 250A 10" 606 151 455 227 68
AS140-300BF 300A 12" 682 164 500 252 78
AS160-350BF 350A 14" 781 189 544 272 78
AS160-400BF 400A 16" 781 189 585 343 102
AS200-450BF 450A 18" 982 231 704 366 114
AS200-500BF 500A 20" 982 231 780 421 127