|
|
|
|
|
|
 |
|
 |
This is subject to change. |
|
Valve Size |
8A(1/4") |
10A(3/8") |
15A(1/2") |
20A(3/4") |
25A(1") |
32A(1-1/4") |
40A(1-1/2") |
50A(2") |
Actuator Model |
ASR40 |
ASR50 |
ASR65 |
ASR80 |
Actuator Type |
Single Acting |
Operating Media |
Compressed Dry Air |
Operating Pressure |
4.5~7kg/㎠ |
Rotating Angle |
90˚ ±5˚ |
Fluid Temperature |
-20℃ ~ 80℃ |
Rating |
1000 PSI |
Body Material |
A351-CF8 / Body |
A351-CF8 / Ball |
PTFE / Seat |
Accessory |
Solenoid Valve, Limit Switch Box, Air filter Regulator, E/P Positioner |
|
|
 |
 |
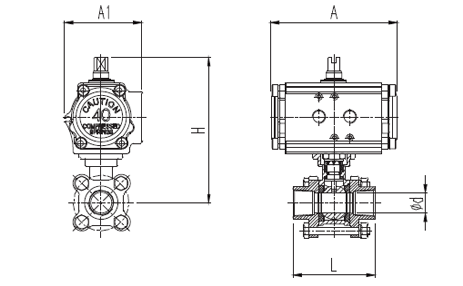
End Connection : PT SCREW (mm) |
|
Model |
Size |
A |
A1 |
H
(Approx) |
L |
Ød |
mm |
Inch |
ASR40-8S3 |
8A |
1/4" |
96 |
63 |
124 |
64 |
12.5 |
ASR50-10S3 |
10A |
3/8" |
133 |
75 |
139 |
64 |
12.5 |
ASR50-15S3 |
15A |
1/2" |
133 |
75 |
142 |
72 |
15 |
ASR50-20S3 |
20A |
3/4" |
133 |
75 |
148 |
80 |
20 |
ASR65-25S3 |
25A |
1" |
154 |
89 |
172 |
85 |
25 |
ASR65-32S3 |
32A |
1-1/4" |
154 |
89 |
177 |
105 |
32 |
ASR80-40S3 |
40A |
1-1/2" |
220 |
101 |
206 |
113 |
38 |
ASR80-50S3 |
50A |
2" |
220 |
101 |
221 |
132 |
50 |
|
|
|
|